DOKTER TV
Wednesday, 1 February 2017
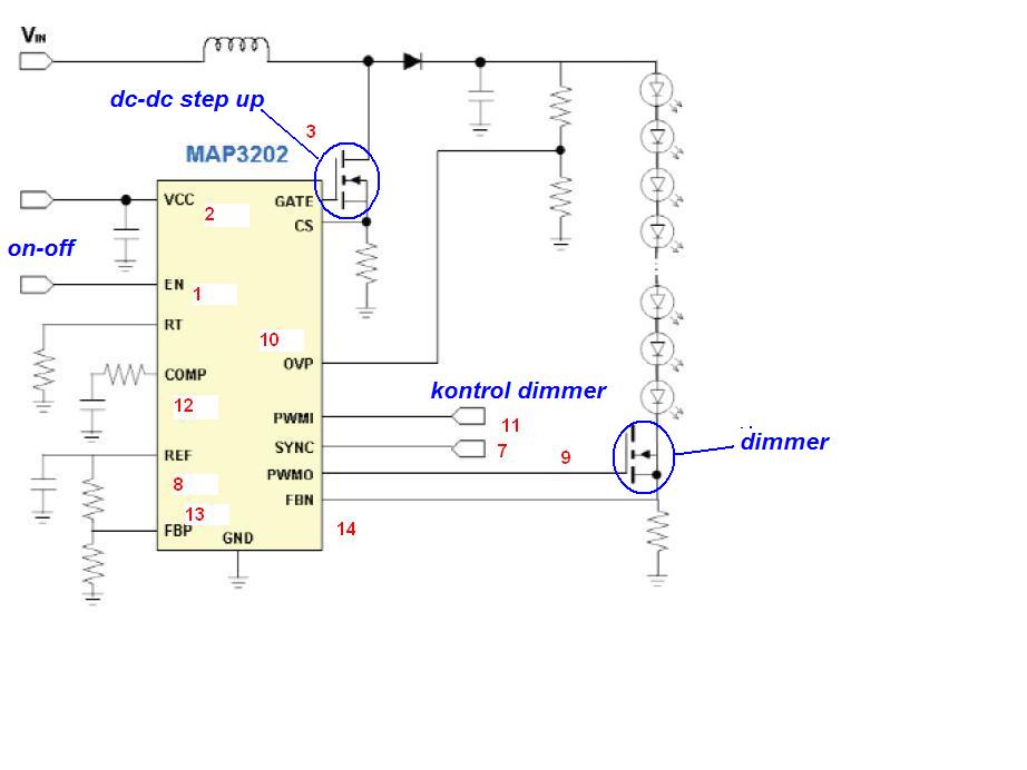
Nomor kaki (pin-out) MAP3202
******************
No comments:
Post a Comment
Newer Post
Older Post
Home
Subscribe to:
Post Comments (Atom)
No comments:
Post a Comment