Wednesday, 20 March 2013

LG 42” suara krotok-krotok dan lama-lama jadi ngosos saja

KASUS :

  • LCD LG model 42LC4R
  • Suara ada gangguan krotok-krotok dan lama-lama hilang tinggal suara ngosos

 

ANALISA :

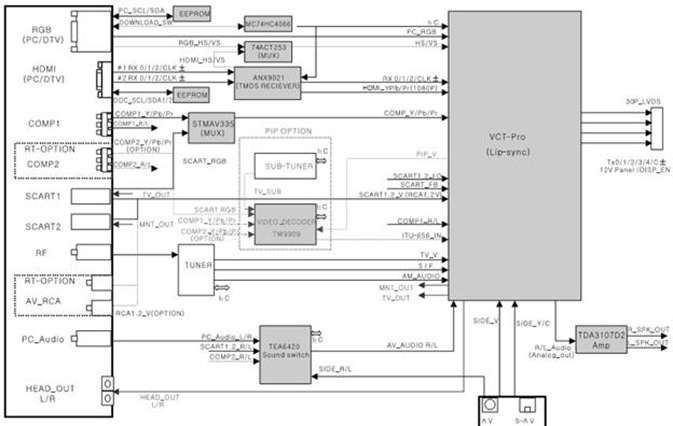
Untuk mencari dan menganalisa sumber suara krotok-krotok, maka langkah-langkah yang kami ambil adalah :

  • Buka service-manual – untuk melihat blok-diagram. Dengan bantuan blok diagram seperti gambar dibawah kita akan lebih mudah dalam menganalisa dan mengevaluasi sumber masalah sehingga jangan sampai salah diagnose, karena kerusakan dapat terjadi pada Audio-amplifier, Audio switch, Audio proses atau Tuner.

 

clip_image002

  • Coba cek suara lewat AV-in dengan DVD Player – hasilnya suara  tetap ada krotok-krotok
  • Coba cek suara dari jack Audio Monitor-out (MNT OUT)– masukkan sinyal dari monitor-out ke amplifier – hasilnya juga tetap ada krotok-krotok.
  • Cek keluaran suara mono  dari Tuner pin-15 – suara tidak ada masalah
  • Dari percobaan-percobaan diatas, maka kesimpulannya problem ada pada IC VCT-PRO, bukan pada Audio amplifier, karena cek suara dari MNT-Out juga problem

 

SOLUSI :

Kerusakan seperti ini seharusnya dapat diselesaikan dengan penggantian satu blok modul digital. Tetapi ketika ditanyakan ke SC part sudah tidak tersedia lagi. Achirnya dengan kesepakatan bersama konsumen bagian audio kami modifikasi agar LCD tetap dapat dinikmati.

Caranya adalah sebagai berikut :

  • Suara teve kami ambil langsung dari TUNER pin-15 . Jadi suara nantinya akan jadi mono dan tanpa bass-trebel
  • Audio-amplifier kami buatkan sendiri dengan kit-audio amplifier. Sebab amplifier yang asli (TDA3107D2) adalah merupakan amplifier khusus klas D (PWM amplifier)
  • Untuk pengatur volume suara - kami pasang sebuah VR manual (50k) antara TUNER dengan Audio amplifier.

 

 

Catatan :

Kalau dilihat dari skematik bagian Tuner LCD, akan terlihat ada 3 macam output.

  1. Video-out (gambar) dari pin-13
  2. Audio-out (mono) dari pin-15
  3. Sound IF-out dari pin-16. Sinyal ini nantinya akan diproses menjadi suara stereo-NICAM oleh IC VCT-PRO.

 

image

 

 

 

********************************* 

No comments:

Post a Comment